ОВЕН ПЛК160 [М02] – линейка программируемых моноблочных контроллеров с дискретными и аналоговыми входами/выходами на борту для автоматизации малых и средних систем.
Оптимальны для построения систем автоматизации среднего уровня и распределенных систем управления.
Рекомендации к применению
Для построения распределенных систем управления и диспетчеризации с использованием как проводных, так и беспроводных технологий:
- В системах HVAC
- В сфере ЖКХ (ИТП, ЦТП)
- АСУ водоканалов
- линии по дерево- и металлообработке (распил, намотка и т.д.)
- Для управления пищеперерабатывающими и упаковочными аппаратами
- Для управления климатическим оборудованием
- Для автоматизации торгового оборудования
- В сфере производства строительных материалов
- Для управления малыми станками и механизмами
Преимущества ОВЕН ПЛК160 [М02]
- Наличие встроенных дискретных и аналоговых входов/выходов на борту.
- Скоростные входы для обработки энкодеров.
- Ведение архива работы оборудования или работа по заранее оговоренным сценариям при подключении к контроллеру USB-накопителей.
- Простое и удобное программирование в системе CODESYS V.2 через порты USB Device, Ethernet, RS-232 Debug.
- Передача данных на верхний уровень через Ethernet или GSM-сети (GPRS).
- 3 последовательных порта (RS-232, RS-485):
- увеличение количества входов-выходов;
- управление частотными преобразователями;
- подключение панелей операторов, GSM-модемов, считывателей штрих-кодов и т.д.
- Наличие двух исполнений по питанию (220 В и 24 В).
Схема применения ПЛК160 [M02]

Сравнительная таблица ПЛК160 и ПЛК160 [М02]
| |
ПЛК160 |
ПЛК160 [М02] |
| Вычислительные ресурсы |
| Центральный процессор |
RISC-процессор на базе ядра ARM-9, 32 разряда |
RISC-процессор Texas Instruments Sitara AM1808 |
| Частота процессора |
180 МГц |
400 МГц |
| Объем энергонезависимой памяти |
4 Мб (Flash) |
6 Мб (Flash) |
| Объем Retain-памяти |
до 16 кБайт (SDRAM) |
16 кБайт (MRAM) |
| Число циклов перезаписи |
50 000 |
не ограничено |
| Внешние интерфейсы |
| USB-Host (подключение переферии и архивация на флеш-накопители) |
Отсутствует |
Есть |
| Питание +5 В в RS-232 |
Отсутствует |
Есть |
| Работа в мобильных сетях1 |
SMS, CSD |
SMS, CSD, GPRS |
| Быстродействующие дискретные входы |
| Максимальная частота входного сигнала |
до 10 кГц |
до 100 кГц |
| Клеммник |
| Тип клеммника |
Съёмный |
Съёмный с невыпадающими винтами |
| Батарея/Аккумулятор |
| Источник питания для часов реального времени |
Аккумулятор LIR2466 |
Батарея CR2032 |
| Источник питания для Retain-памяти |
Не требуется, используется MRAM |
| Способ замены |
Требуется перепайка |
Простая замена, без перепайки |
| Условия эксплуатации |
| Диапазон рабочих температур |
-10...+55 °С |
-40...+55 °С |
| ПО, Библиотеки и пр. |
| Механизм записи Retain-памяти |
По событию (отключение питания) |
- По событию (отключение питания)
- Циклическая запись
- По событию из пользовательской программы2
|
| USB-драйвер для подключения ПЛК к CODESYS |
Windows XP |
Windows 7/8/10 |
| Работа с быстрыми входами из прерывания высокочастотного таймера |
Не поддерживается |
Поддерживается |
1 При использовании модема ПМ01 с sim-модулем SIM800
2 Сохранение Retain из кода возможно только при использовании библиотеки RetainControlLib.lib
Габаритные размеры
Габаритный чертеж ПЛК160 [m02]

Модификации
![Обозначения при заказе / модификации ПЛК160 [m02]](/media/uploaded-files/1617186128119.jpeg)
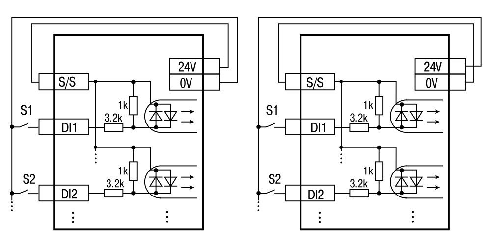
Схемы подключения
Расположение контактов для подключения внешних цепей

Подключение входных устройств и схемы выходных элементов контроллера
 |
 |
 |
 |
| Схема подключения контактных датчиков (S1–Sn) к входам контроллера |
Подключение к дискретным входам датчиков (F1–Fn), имеющих на выходе транзисторный ключ n-p-n-типа |
Подключение к дискретным входам датчиков (F1–Fn), имеющих на выходе транзисторный ключ p-n-p-типа |
Выходные элементы типа Р контроллера с внешними цепями защиты при активной нагрузке, Rн – пользовательская нагрузка (двигатель, нагреватель, контактор и т.д.) |
 |
 |
 |
 |
| Подключение цепей защиты при реактивной нагрузке |
Подключение аналоговых выходов типа «У» и «А» |
Подключение аналоговых выходов типа «И» |
Подключение аналоговых входов |
Комплектация
- Контроллер ПЛК160 [М02] (исполнение в соответствии с заказом)
- Паспорт и руководство по эксплуатации
- Кабель КС14
- Заглушка Ethernet
- Гарантийный талон